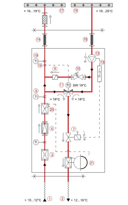
Kühlwasserstation mit Temperaturregelung
Kühlwasserstation mit Temperaturregelung












[zurück]